防盗报警系统可识别和通报破门盗窃尝试或对车辆的人为改动。
防盗报警系统软件集成在车顶功能中心 (FZD) 内。超声波车内防盗监控传感器同样位于车顶功能中心内。
车厢内部通过超声波车内防盗监控传感器监控。
在尝试撬开车门和进入车厢内部时,会触发一个 DWA 报警。DWA 报警以听觉和视觉方式进行 (针对不同国家设码)。
倾斜报警传感器 (集成在应急电源报警器中) 监控车辆倾斜度。倾斜报警传感器可识别车辆的抬起或牵引。
部件简短描述
将描述防盗报警系统的下列部件:
具有超声波车内防盗监控传感器的车顶功能中心 (FZD)
防盗报警系统监控车门、后行李箱盖、车前盖以及倾斜报警传感器和车内监控的状态。
防盗报警系统由带超声波车内传感器的超声波车内防盗监控传感器 (USIS) 和带倾斜报警传感器的报警器组成。带倾斜报警传感器的报警器通过 LIN 总线与 FZD 控制单元连接。
超声波车内防盗监控传感器是超声波车内传感器,其识别车厢内部的运动并将其报告给车顶功能中心。超声波车内防盗监控传感器包括 2 个发射器和 1 个接收器。
防盗报警系统的软件集成在 FZD 控制单元内。FZD 控制单元因此控制防盗报警系统。




带倾斜报警传感器的应急电源报警器
提示!
应急电源报警器安装位置于车型系列有关。注意诊断!
通过一个自带的微控制器控制报警器和倾斜报警传感器的功能。
报警器具有一个自带的供电装置(电池)并监控车辆蓄电池的供电情况。这样,在报警器的供电导线受到破坏时,也会发出声音报警。此外,报警器还监控局域互联网总线(LIN-Bus)。如果局域互联网总线被割断,报警器也将触发警报。
为了使报警器能够独立于车辆蓄电池执行其功能,其本身配有电池(应急电源报警器)。电池不可再次充电(使用寿命至少为 10 年左右或者 300 次触发声音报警)。报警器配有一个频率范围在1900-2800Hz的扬声器。
如果电池持续放电,并且在放电过程中车载网络电压以0,5 V/小时的速度下降到3(例如长时间停放车辆时),报警器将无法发出警报。
如果报警器退出戒备状态并且没有外部供电,内部电池将设置为最低耗电水平。此时的耗电为最大25毫安。如果车辆蓄电池被重新接上,报警器将恢复正常耗电水平。
外部起动时,报警器会识别出反极性并在信息存储器中存储这一信息。信息存储器和报警存储器一样可以通过诊断系统进行读取。
倾斜报警传感器监控车辆的水平位置(沿纵向和横向的车辆倾斜监控)。倾斜报警传感器的信号将由报警器中的微控制器进行分析。倾斜报警传感器识别到车辆倾斜度发生变化时,将向车顶功能中心 (FZD) 发送一个信号。车顶功能中心 (FZD)据此触发一个DWA报警。这样就可以识别出为盗窃车轮而抬起车辆或者车辆被牵引。
车辆的停放姿态将按照当前纵向角度和横向角度来加以记忆。倾斜报警传感器定期测量新的纵向和横向角度。超过报警阈值时,将向FZD控制单元发送一条信息。在第一次报警后将降低报警阈值,从而导致更快触发第二次报警。
倾斜传感器的报警机制被设计为在车辆发生剧烈颠簸时避免触发报警。


车前盖触点开关
防盗报警系统借助车前盖触点开关探测车前盖状态 (敞开或关闭)。
当车前盖关闭时,车前盖触点开关中的触点是打开的。打开车前盖时,车前盖触点开关的状态也发生改变(触点关闭)。车前盖触点开关与车身域控制器 (BDC) 连接。BDC 控制单元分析车前盖触点开关状态。BDC 控制单元将状态信息作为 K-CAN2 信息发送至车顶功能中心 (FZD)。
未连接的车前盖触点开关被车身域控制器 (BDC) 评估为已关闭。车前盖关闭时 BDC 控制信号得到一个低信号。


后行李箱盖锁
后行李箱盖锁装备有熟悉的闭合元件旋转锁销和掣子。
可以通过操作点把后行李箱盖锁电动解锁。车身域控制器(BDC)控制后行李箱盖锁中解锁驱动装置的直流马达,因此触发后行李箱盖锁的解锁。
也为防盗报警系统分析旋转锁销开关的状态变化。车身域控制器 (BDC) 将此状态作为 K-CAN2 信息发送至车顶功能中心 (FZD)。


驾驶员侧车门锁、乘客侧车门锁、驾驶员侧后方车门锁、乘客侧后方车门锁
车门锁装备有熟悉的闭合元件旋转锁销和掣子。驾驶员侧车门锁可以机械或电动解锁,然后打开。其他车门锁只能电动解锁。
在每个车门锁中都安装着一个用作车门触点的霍尔传感器。霍尔传感器可以识别旋转锁销是打开还是关闭。利用霍尔传感器信号的帮助, 车身域控制器 (BDC) 分析车门触点的状态。车身域控制器 (BDC) 将此状态作为 K-CAN2 信息发送至车顶功能中心 (FZD)。

DWA 发光二极管
DWA 发光二极管位于车内后视镜下方。DWA 发光二极管指示防盗报警系统的状态。
DWA 发光二极管由 FZD 控制单元控制。可进行下列显示:
•DWA 发光二极管熄灭:DWA 已退出戒备状态。
•DWA 发光二极管闪光(闪烁 = 0.5 Hz):DWA 已进入戒备状态。
•DWA 发光二极管闪烁(闪烁 = 2 Hz)10 秒然后闪光:DWA 已进入戒备状态,然而车门或盖板未关闭或超声波车内传感器损坏。
•DWA 发光二极管闪烁 5 分钟后闪光:DWA 报警。
•DWA 发光二极管亮起 2 秒后闪光:超声波车内传感器以及倾斜报警传感器已停用。


系统功能
将描述下列系统功能:
•功能联网
•进入戒备状态和退出戒备状态
•触发 DWA 报警(报警触发信号)
•低电压识别、过压识别、车辆蓄电池监控(正极导线和负极导线)
•关闭车内监控和倾斜监控
•DWA 声音报警的紧急功能
•借助锁芯和主钥匙混合操作
•美国或日本国家规格的紧急报警模式
功能联网
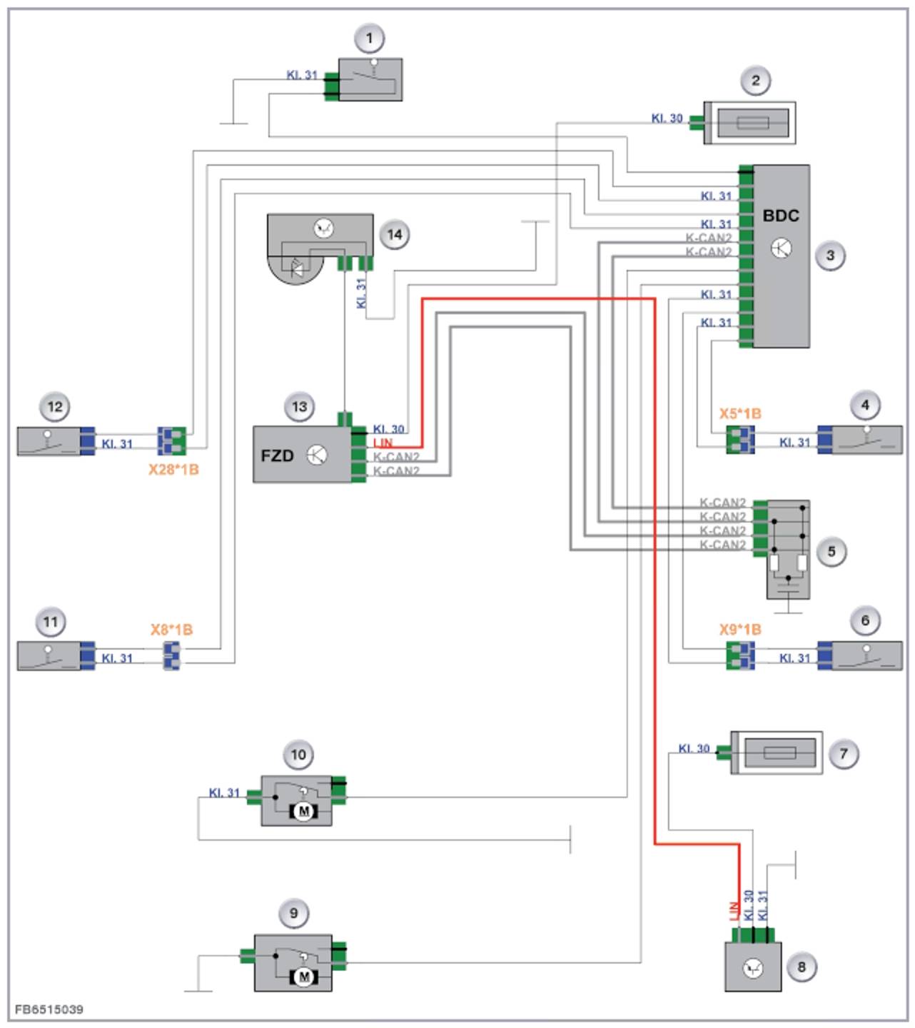
为了实现防盗报警系统,需要一个复杂系统网络与分散在其他控制单元中的功能。下图显示功能联网。


进入戒备状态和退出戒备状态
防盗报警系统随着中控锁的联锁和中央锁死进入戒备状态。联锁和中央锁死的前提是:
•关闭 PAD 模式后,驾驶员侧车门被打开又关闭。
•因此应急电源报警器立即进入戒备状态。
•进入戒备状态后 3 秒,车门触点和盖板触点都被纳入监控范围。前提条件是,触点接头处于静止状态 (车门和盖板关闭)。
•作为视觉反馈信息,DWA 发光二极管开始快速闪烁。闪烁报警装置闪烁一次。
•根据 国家规格,可能额外响起 应急电源报警器的短暂信号音(参见国家规格)。
•DWA 进入戒备状态并且所有车门和盖板都关闭后,超声波车内传感器开始检测车厢内部。在约 20 秒钟后能够进行车内监控。
•在通过便捷操作关闭侧窗玻璃和 / 或活动天窗时,会中断车内监控。
与车内监控一样,关闭车门和盖板后也开始倾斜监控。在激活后,倾斜报警传感器首先执行一个 30 秒钟的持续基准运行。在基准运行后才开始倾斜监控。
如果在基准运行期间打开后行李箱盖,则基准运行中断。在关闭后行李箱盖后将重新起动基准运行。通过超声波车内传感器和倾斜报警传感器执行的监控功能具有优先权:如果识别到车门触点或盖板触点有故障,则会将其接受为已关闭。
可通过解除中控锁联锁使防盗报警系统退出戒备状态。作为视觉反馈信息,DWA 发光二极管熄灭且闪烁报警装置闪烁两次。根据国家规格,可能额外响起应急电源报警器的短暂信号音 (两声,与国家有关)。后行李箱盖在 DWA 已进入戒备状态时也可以通过遥控器解锁并打开,这时不会触发 DWA 报警。如果打开后行李箱盖,则车内监控和倾斜监控退出工作。一旦后行李箱盖重新关闭,车内监控和倾斜监控就重新激活。
触发 DWA 报警(报警触发信号)
如果进入戒备状态的防盗报警系统识别到报警状态,则会触发 DWA 报警。下列触发原因会导致出现 DWA 报警:
•用力打开车门:车门触点总线信号
•用力打开后行李箱盖:后行李箱盖触点开关总线信号
•用力打开车前盖:车前盖触点开关总线信号
•车厢内部的运动:超声波车内传感器的信号
•车辆的倾斜位置:来自倾斜报警传感器的信号
•子总线断路
•低电压、过压、车辆蓄电池监控(正极导线和负极导线)
在触发 DWA 报警时,FZD 控制单元启用应急电源报警器的扬声器。同时,FZD 控制单元发送 K-CAN2 报警信号。车身域控制器(BDC)通过照明设备激活光报警。如果 DWA 进入戒备状态后通过操作脱开车载网络,则应急电源报警器可以触发声音报警。(自带的蓄电池供电)
在下列情况下将立即取消 DWA 报警:
•防盗报警系统退出戒备状态
•PAD 模式打开
低电压识别、过压识别、监控 蓄电池
如果 DWA 已进入戒备状态,则 FZD 控制单元监控在 6.5 ~ 17 V 范围内的车载网络电压。FZD 控制单元识别下列偏差:
•低电压:车载网络电压低于 6.5 V
•过电压:车载网络电压高于 17 V
•在 40 分钟内车载网络电压从 7.5 降到 6.5 V
•蓄电池正极导线或蓄电池负极导线割断
必须识别到过压和低电压的电压临界值至少 250 毫秒。
关闭车内监控和倾斜监控
在下列条件下,停用倾斜监控和车内监控非常重要:
•运输车辆(例如铁路、渡轮)
•车辆在双层车库中驻车
•把人员或动物留在车辆中
倾斜监控和车内监控退出工作状态:如果在 3 秒钟之内执行 2 次“联锁 / 集中上锁”命令(例如通过遥控钥匙)。DWA 发光二极管通过亮起 2 秒来通知已退出工作。
DWA 声音报警的紧急功能
如果应急电源报警器在 DWA 报警期间失灵,则通过喇叭发送声音报警。FZD 控制单元发送一条信息给车身域控制器 (BDC)。
借助锁芯和主钥匙混合操作
防盗报警系统既可以通过车门锁也可以通过主钥匙进入戒备状态和退出戒备状态(= 混合操作)。由于保险规定,在某些国家不允许混合操作。
防盗报警系统在取消混合操作时还可以通过 车门锁进入戒备状态,但是不能通过 车门锁退出戒备状态。只能通过主钥匙退出戒备状态。混合操作功能是可设码的。
美国或日本国家规格的紧急报警模式
通过紧急报警模式可在遭受外部威胁或发生事故时提醒他人注意(DWA 报警)。紧急报警模式必须设码。在美国或日本规格车辆中可以取代后行李箱盖去联锁装置设码紧急报警模式。然后后行李箱盖去联锁装置的按钮作为紧急报警模式按钮作用。
因此必须按住紧急报警模式按钮 3 秒钟。紧急报警模式可与 DWA 状态 (进入戒备状态或退出戒备状态) 无关地触发。通过按压主钥匙上的任意按钮可结束紧急报警模式。紧急报警模式下如果应急电源报警器失灵, 则声音报警通过喇叭输出(紧急功能)。紧急报警模式下的报警持续时间不受限制(直到蓄电池用完)。
售后服务提示
一般提示
提示!
因为倾斜报警传感器已集成到应急电源报警器中,在安装应急电源报警器时必须特别仔细地操作。
诊断提示
读取报警存储器
在 FZD 控制单元的报警存储器中存储了最后 10 个 DWA 报警。报警存储器将与故障代码存储器一起被读取。在每次 DWA 报警时还会存储下列附加信息:
•带有历史记录的报警触发信号
•日期和时间
•车外温度
提示!
应急电源报警器内的内部蓄电池的充电状态可通过诊断来读取。
电路图


安装位置

宝马G38自动恒温空调(IHKA)
奥迪各车型电路图培训资料
宝马 EVO 2018-3 导航数据
18 年后MQB 平台车 刷隐藏教程 倒车档右后视镜下翻

