基本信息:
- 车型: 奔驰 S400 (底盘型号:W222)
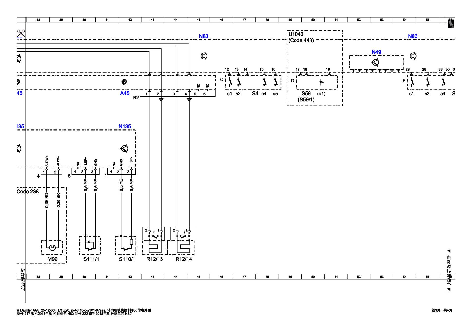
- 核心故障点: 转向柱模块 (N80 / MRM) 内部短路
- 诊断结论: 模块无通讯 ,导致多功能方向盘失效、气囊报警、转向灯/雨刮器不工作。
🔍 故障排查记录
- 电脑诊断: 使用Xentry或通用诊断仪读取,发现全车多个模块(如ESP、EZS、仪表)报出:“与转向柱模块通讯存在故障 ”。
- 物理检查: 测量转向柱插头的电源(30电/30g电)和搭铁正常,FlexRay总线电压正常,排除了外部线路断路的可能性。
- 拆解发现: 模块内部PCB电路板有明显短路、烧蚀或腐蚀痕迹(常见原因为洗车喷剂渗入或电子元件老化击穿)。
💡 维修
- 操作: 针对短路点进行清理,更换损坏的电容、稳压管或通信收发芯片。
- 风险: 若主控制芯片(CPU)被短路电流击穿,则无法修复。
⚠️ 特别提醒
- 安装注意: 重新安装时,必须确保游丝(时钟弹簧)居中。如果游丝位置偏离,打死方向时会拉断排线。
- 标定: 维修完成后,必须进入ESP系统进行转向角传感器零位初始化,否则会报防盗或动态稳定系统故障。


电路图






长城哈弗 H6运动蓝标版车身电脑(48针+8针+48针+8针)
以长城哈弗2016年款H6运动蓝标版为例,该车车身电脑端子图如图3-13所示,端子定义见表 3-20。
长城哈弗H2S车身电脑(48针+8针+48针+8针)
以长城哈弗2016年款H2S车型为例,该车车身电脑端子图如图3-10所示,端子定义见表 3-14。
奔驰S350 收音机无此装置、CD无法播放、音响无声。
此故障可以说是后期221一个比较常见的故障了,因为设计问题,后尾箱一漏水就会搞到功放,功放又由于里面的散热风扇长时间工作,让电路板积满灰尘,一进水导致到电路板漏电损坏,修此故障需要比较仔细的找出断点。 切换到收音机模式会显示无此装置、切换到CD也无法播放。 功放在尾箱的左侧 没清...
广汽 1.3T 4A13M1发动机(64针+ 48 针)
以广汽传祺2016年款GS4车型为例,发动机电脑端子图如图5-1所示,端子定义见表5-1、表 5-2。
荣威i6 多媒体电脑(20针+16针+12针+12针)
以上汽荣威2019年款i6车型为例,多媒体电脑端子图如图4-22所示,其端子定义见表4-45~表 4-47。
博瑞车身电脑(40针+ 40针+ 21针+ 15针+ 12针+4针)
以吉利 2014 年款博瑞车型为例,其车身电脑端子图如图 1-23 所示,端子定义见表 1-46~表1-51。
我的微信
微信扫一扫
fengye599
微信号已复制
我的微信公众号
微信扫一扫
我的公众号
公众号已复制

