便捷启动使发动机起动操作简便,因为起动马达一直自动保持接通,直至发动机运转。
通过防驶离电子保险装置可确保,只有当点火开关中插着一个属于车辆的遥控器或备用钥匙 (在钥匙适配器中) 时,发动机才能起动。
便捷进入及起动系统 (CAS) 控制单元包括无线电遥控装置、点火装置、总线端控制装置、防驶离装置和起动马达控制装置。此外还有数据总线 K-CAN 系统总线和 K-CAN 外围总线之间的网关模块。
CAS 中集成了启动 / 停止按钮和点火开关。
此外,CAS 还包括将用于 EWS 交换码的数据 (EWS:电子防盗系统),在起动时发送至发动机控制单元。
所有电气系统的总线端 Kl. 15 由 CAS 控制。此外,当总线端 Kl. R 接通时,将通过数据总线发送信息”总线端 Kl. R 接通”至控制单元。
以外 CAS 还切换总线端 Kl. 15 WUP (唤醒) (用于 PT-CAN 的所有控制单元)。总线端 Kl. 15 WUP (唤醒) 激活后,控制单元将从静止状态进入运行状态。
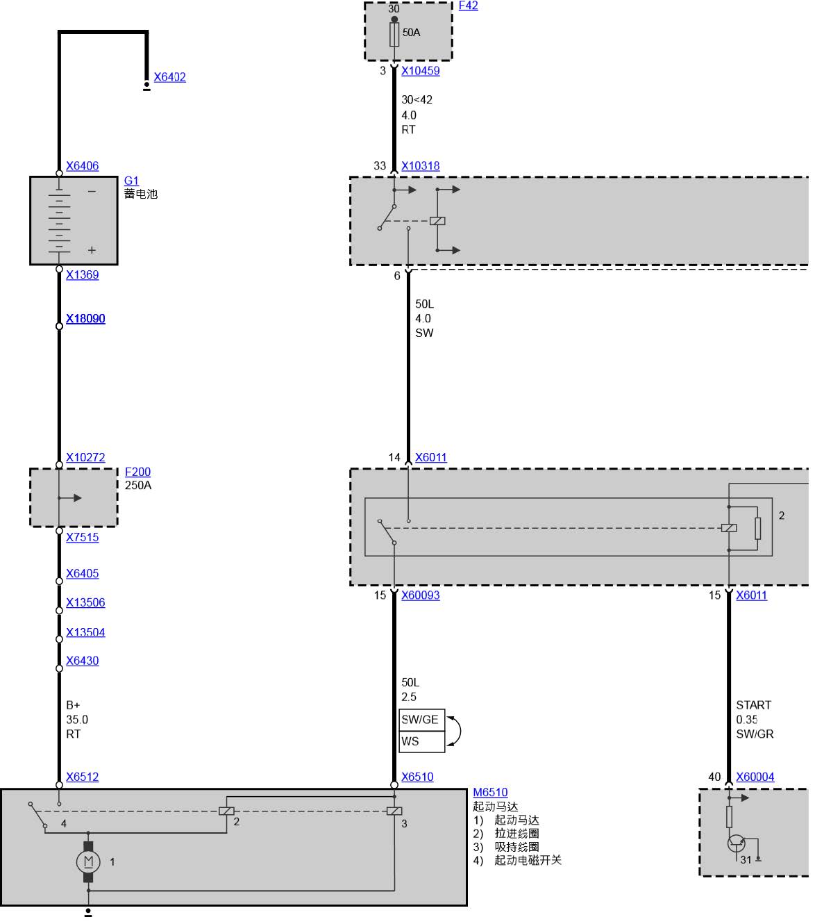
起动过程中用于便捷启动的继电器总线端 Kl. 50L 和用于起动请求的总线端 Kl. 50E 连接至发动机控制单元。
遥控器包含了用于电子防盗系统 (EWS) 和无线电遥控的数据。为了电压供应集成了一个可充电的蓄电池。遥控器插入点火开关时蓄电池就开始充电。
中控锁失灵时为进行紧急机械操作,将一把机械钥匙插入遥控器中。此机械钥匙不含 EWS 数据。
随附提供一把机械备用钥匙用作紧急钥匙,该钥匙包含一个用于 EWS 数据的数据存储器 (信号收发器)。可借助一个适配器将此备用钥匙推入 CAS 内的点火开关中。
发动机控制单元控制和监控发动机的所有功能。此外它控制点火和燃油喷射。
在发动机控制单元中同样也存储了用于 EWS 交换码的数据。EWS 数据通过数据导线 D_EWS 在 CAS 和 DME 中进行传送。
制动信号灯开关是一个电子开关,通过它可检测制动踏板操控装置。开关壳体内集成有两个开关,即原来的制动信号灯开关和制动信号灯测试开关。从而实现对开关的功能监控。
发动机只有当踩下制动踏板后才可起动。出于安全原因,制动信号灯测试开关信号和开关信息通过数据总线 K-CAN 系统总线传送至 CAS 控制单元由其进行分析。
灯光模块控制并监控车辆照明。信息通过 K-CAN 系统数据总线接收和传送。
灯光模块接收制动信号灯开关信号,并通过数据总线继续发送给其它的控制单元。
DSC 控制单元包括防抱死系统 ABS 的功能和动态行驶调节。DSC 控制单元连接在数据总线 PT-CAN 上。
DSC 控制单元在操纵制动器时通过数据总线传送制动力施加的信息。即使在制动信号灯开关失灵的情况下,CAS 利用此信息仍然可以起动发动机。
EGS 控制单元控制和监测自动变速箱的功能。它连接在数据总线 PT-CAN 上。
只有当变速箱位于驻车位置 (选档杆位置 P) 或空档位置 (选档杆位置 N) 时发动机才能起动。变速箱控制单元通过数据总线传送选档杆位置信息。出于安全原因在变速箱控制单元和 CAS 控制单元间还有一根导线 (导线名称:P)。当选档杆位于 P 或 N 时,导线连接正极 (蓄电池电压)。
中央网关模块连接了数据总线
| - |
Byteflight (BMW 安全总线系统) |
| - |
K-CAN 系统总线 |
| - |
PT-CAN |
| - |
诊断总线 |
发动机起动的全部过程描述如下:
遥控器插入点火开关中。
| - |
遥控器的数据存储器通过 CAS 控制单元中的环形线圈供电,并且 EWS 数据被读取。如果遥控器有效,可用,且属于车辆,该遥控器会嵌入点火开关中。 |
| - |
钥匙嵌入后,CAS 通过数据总线发送”总线端 Kl. R 接通”命令。控制单元的一部分因此被激活。 |
按下启动 / 停止按钮
启动 / 停止按钮按下后首先激活总线端 Kl. 15。
| - |
激活 CAS 内总线端 Kl. 15 的四个输出端。用于点火线圈的过载保护继电器通过总线端 Kl. 15-3 被接通。 |
| - |
激活 CAS 中总线端 Kl. 15 WUP (唤醒) 三个输出端。 总线端 Kl. 15 WUP (唤醒) 的输出端激活后,所有连接在数据总线 PT-CAN 上的控制单元均被激活。 |
启动 / 停止按钮按下后,CAS 检查制动踏板是否已踩下以及变速箱选档杆是否处于 P 或 N 位置。如果处在该状态下,发动机将被起动:
| - |
CAS 通过导线总线端 Kl. 50E 接通正极 (蓄电池电压) 至 DME 控制单元,并发出发动机应该起动的信号。 |
| - |
CAS 通过总线端 Kl. 50L 接通正极 (蓄电池电压) 至便捷起动继电器。起动马达接通。 |
| - |
一个 EWS 交换码通过数据导线 D_EWS 传送至 DME 控制单元。 |
| - |
发动机控制单元将传送的交换码与计算出的代码进行比较。如果二者一致,将允许点火及燃油喷射。 |
| - |
起动马达旋转,直至 CAS 控制单元通过数据总线收到来自发动机控制单元的 ”发动机已运转” 信号。然后 CAS 中的总线端 Kl. 50 被切断。 如果马达不运转,总线端 Kl. 50 最多在 20 秒后退出工作,并因此中断发动机起动。 |
起动马达重复断电机构
起动马达重复断电机构阻止在发动机运转时操纵起动马达。只要发动机在转动,起动马达重复断电机构就处于工作状态。
紧急接通功能
当由于误操作而造成发动机停止工作时,通过紧急接通功能可在不操纵制动踏板的情况下使发动机立即再次起动。前提是存在一个 > 1 km/h 的行驶速度。
发动机运转时按下启动 / 停止按钮,发动机即停止工作。
发动机停止时自动变速箱被自动挂入驻车位置。
发动机停止后可将遥控器从点火开关中拔出。要取出机械式插入的遥控器必须将其轻轻向锁内按压。CAS 内的一个霍尔传感器 (Eject 开关) 识别出需要松开。在发动机静止和车辆静止情况下现在可松开遥控器,并可从点火开关中拔出。
拔出锁止
只要存在发动机转速或行驶速度,就不能把遥控器从点火开关中拔出。
电子防盗系统 (EWS) 的功能集成在 CAS 控制单元中。电子防盗系统确保只有当使用属于该车辆的遥控器或备用钥匙时,发动机才起动。
通过代码交换的方法可以排除通过对遥控器的电子复制进行的各类操控。
钥匙识别
10 个遥控器 / 备用钥匙的数据存储在 CAS 控制单元中。如果使用了遥控器或备用钥匙,通过代码交换的方法,遥控器或备用钥匙中的身份识别代码改变。
订购新的遥控器或备用钥匙必须说明底盘号码。
至 DME 的接口
防驶离代码通过一根导线在 CAS 控制单元和发动机控制单元之间传送。只有当该代码被识别为有效时,发动机控制单元才允许点火和喷射。
防驶离电子保险装置的基本代码 (启始值) 在车辆生产时即被输入 CAS 控制单元中,并且不可更改。当它还未被使用时,可通过诊断命令传送至发动机控制单元。输入后,发动机控制单元中的启始值便不能再更改。
在每次发动机起动后,CAS 和发动机控制单元中的防驶离代码在一次代码交换过程后就改变。
在更新 CAS 或发动机控制单元时应注意下列几点:
| - |
如果更新 CAS 控制单元,订购 CAS 控制单元时必须说明底盘号码。安装后必须利用发动机控制单元进行启始值的匹配。该启始值的匹配通过服务功能 ”DME/DDE - EWS 匹配” 在 BMW 诊断系统内进行。 |
| - |
由于发动机控制单元被更新,在安装后必须将防驶离代码从 CAS 传送至发动机控制单元。这一过程也将通过服务功能”DME/DDE - EWS 匹配”在 BMW 诊断系统内进行。 |
| - |
EWS 和发动机控制单元进行匹配后彼此间设置被固定。不能试验性地调换两个控制单元中的任何一个。 |
通过 BMW 诊断系统中的服务功能 ”DME/DDE - EWS 匹配”,在安装一个新发动机控制单元时可从 CAS 中读取 EWS 的防驶离代码并转存到该发动机控制单元中。在此过程中发动机控制单元和 CAS 控制单元间形成固定设置。
如果发动机控制单元已经与 CAS 进行配置,则通过服务功能进行启始值匹配。即启始值与 CAS 和发动机控制单元间交换码计算值进行匹配。
当由于故障影响在两个控制单元中存在一个不同的交换码时,进行启始值匹配是必要的。
通过 BMW 诊断系统中的服务功能 ”遥控器/备用钥匙锁止” 可以锁止或许可使用遥控器或备用钥匙。
如果遥控器或备用钥匙丢失或被盗,则推荐锁止。已锁止的遥控器 (或备用钥匙) 无法插入点火开关,因此无法起动发动机。无线电遥控功能同样也被锁止。
只有遥控器或备用钥匙至少用过一次且当前未插入点火开关中,才能对其进行锁止。
执行服务功能时要求有一个被许可使用的遥控器或备用钥匙在点火开关中被识别。
将新遥控器推入点火开关中并保持在该位置上,直到遥控器嵌入。该过程最多可能持续 10 秒钟。嵌入后再次等待 5 秒钟。接着遥控器即做好使用准备。
如果遥控器是丢失或损坏的遥控器的一个备用件,还必须通过服务功能 ”锁止 / 认可” 锁止旧遥控器 (参见上面)。为了使用车辆和钥匙记忆功能,必须执行服务功能 ”个人化编号”。
电路图
18 年后MQB 平台车 刷隐藏教程 液晶仪表显示样式
长城 6F24 六速自动变速器(94针+18针)
宝马驻车和调度:主动式 PDC
宝马主动安全性:带城市制动功能的行人避让警告







